Downloadable drawings are in DXF Format. Material specifications are in PDF Format.
FLAT-SIDED FRAMES DRAWINGS FOR HORIZONTAL CABLE RAILING
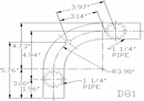
ROUND FRAMES DRAWINGS FOR HORIZONTAL CABLE RAILING
STAIR RAIL
FRAMES FOR VERTICAL CABLE RAILINGS
POST MOUNTING STYLES
Cable Railing Post Mounting Options
-

Core Mount End or Intermediate Post - Round
-

Core Mount End or Intermediate Post - Double Flat-Sided
-

Core Mount - Intermediate Post
-

Fascia Mount - End Post
-

Core Mount End or Intermediate Post - Square
-

Floor plate
-

Fascia Mount - Wood or Composite Deck
SIGN UP FOR EMAIL UPDATES
Submit your info to receive updates from us!






























